1602液晶也叫1602字符型液晶,它是一种专门用来显示字母、数字、符号的点阵型液晶模块。它是由若干个5x7或者5x10的点阵字符位组成,每个点阵字符位都可以用显示一个字符,每位之间有一个点距的间隔,每行之间也有间隔,起到了字符间距和行间距的作用,正因为如此,所以它不能很好的显示图片。
1602的引脚
操作步骤:
初始化
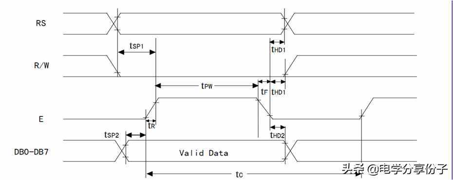
写命令(RS=L)设置显示坐标
写数据(RS=H)
一:LCD1602关键性的指令设置
1.清屏指令
功能:
<1> 清除液晶显示器,即将 DDRAM 的内容全部填入"空白"的 ASCII
码 20H;
<2> 光标归位,即将光标撤回液晶显示屏的左上方;
<3> 将地址计数器(AC)的值设为 0。
2.进入模式设置指令
功能 : 设定每次定入 1 位数据后光标的移位方向 , 并且设定每次写入的一个字符是否移动。参数设定的情况如下所示:
位名 设置
I/D 0=写入新数据后光标左移 1=写入新数据后光标右移
S 0=写入新数据后显示屏不移动 1=写入新数据后显示屏整体右
移 1 个字符
3.显示开关控制指令
功能:控制显示器开/关、光标显示/关闭以及光标是否闪烁。参数设定的情况如下:
位名 设置
D 0=显示功能关 1=显示功能开
C 0=无光标 1=有光标
B 0=光标闪烁 1=光标不闪烁
4.功能设定指令









